推荐产品
- 商品描述:
- 商品属性
- 售后保障
- 广告说明
关于仕九MRO工业品商城
苏州仕九工业品有限公司从事工厂工业品销售,为工厂采购工业品服务,在这里可以一站式为你提供工业品产品服务,仕九和数十家知名厂商合作,合作品牌数多样。
经营范围: 苏州仕九工业品有限公司经销五金机电、劳保用品、文具用品、办公用品、机械设备及配件、电子产品、家用电器、仪器仪表、模具材料、日用百货等工厂工厂工业用品。欢迎来到订购垂询。
仕九MRO工业品商城 (www.109360.com)是仕九在中国建立的工业产品采购B2B电子商务平台,致力于成为中国企业工业产品采购的贴心顾问。仕九网站向每一位访问者提供丰富的产品信息、快速的产品搜索、便捷的价格查询、方便的报价申请和流畅的产品订购,节省您的采购时间和精力。
公司承诺
正品保证
仕九您保证所售商品均为正品行货,开具正规增值税13%专用发票。
全场满300元包邮
皆可享受我司的免费配送服务。
退换货
无忧凭质保证书,可享受全国联保服务,与您亲临商场选购的商品享受相同的质量保证。如有任何问题均可安全退换货物,请您放心购买!
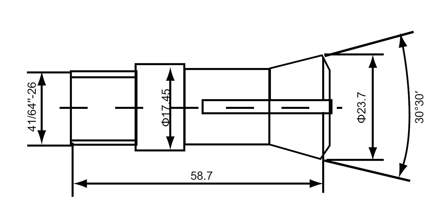
| 商品属性 | |
|---|---|
| [规格] | 2~15 |
| [产品编号] | F10529 |
| [产品名称] | 17A弹簧夹头 |
| [类别编号] | 09021103 |
| [类别名称] | ER筒夹 |
| [品牌编号] | 28 |
| [品牌名称] | FAHRION/飞日诺 |
| [起订量] | 1 |
| [单位] | 个 |
| [制造商型号] | 76-0004617A-H |
| [搜索关键字] | 夹头,弹簧夹头 |
| [产品特点] | ·产品物美价廉,经久耐用 |
| [适用场合] | ·一般工作场合 |
| [产品定位] | 规格商品 |
| [物料组] | MRO-金属加工 |
| [包装] | 1个/包 |
| [长度] | 58.7mm |
| [形式] | 六方孔 |
| [夹持范围] | 2~15mm |
| [外径] | 23.7mm |
| [跳动精度] | - |
正品保障
我们向您保证所售商品均为正品行货,开具正规13点增值税专用发票。
因厂家会不提前通知的情况下更改产品包装、附件或产地,本司不能确保客户收到的货物与本网站的图片、产地、附件说明完全一致。只能确保为原厂正货!并且保证与当时市场上同品牌同型号的主流产品一致。如果我们网站没有及时更新网站图片及其参数,敬请谅解!
本店商品宝贝描述如若出现"最"字等广告法规定的极限词语或者词组,只是对宝贝进行描述,并非广告宣传语言。职业打假、恶意打假的请绕道。








苏公网安备 32058502010418号